DIY Shopping Robot using Arduino during COVID-19 Lockdown
Shopping Robot using Arduino to buy Stuff during COVID 19 Lock Down
I will show you how I made a DIY Telepresence Robot using Arduino that can be controlled from a mobile phone, which I used for shopping, buying things from nearby shops, passing things to my neighbors and friends’ houses, all while remaining safe and sound in my home and following social distancing protocol.

Shopping Robot, Social Distancing and COVID 19
COVID-19 has become a global menace to people all over the world, as you are aware, and it is still spreading like wildfire. COVID-19 can only be defeated if everyone works together.
Distancing ourselves from society is a vital step in combating COVID-19. This is accomplished by limiting interaction with people who may or may not be infected with the virus. As a result, it’s always a good idea to stay at home as long as possible.
Learn Arduino the Easy Way
Are you new to Arduino? Do you want to improve your skills in Arduino programming? You are in the right place. We have a complete beginner-level tutorial for Arduino which covers everything from scratch.https://www.youtube.com/embed/9cxAjRHdMVY?rel=0
In this free Arduino Tutorial for Beginners guide, we will be taking a look at Introduction to Arduino platform, getting started with Arduino IDE, different types of Arduino boards, and a lot of DIY projects using Arduino. Check it Out!
What Motivated Me to Create an Arduino Shopping Robot?
But, after all, aren’t we all humans? We require supplies, make purchases, and occasionally engage with others in some way. So I decided to build a robot to handle all of these tasks for myself. A robot that could go shopping in the neighborhood and engage with my neighbors and friends.

That, in a nutshell, is the backstory to my Arduino-based DIY Telepresence Robot. As usual, I’ll include entire instructions, including the circuit schematic, PCB files (if you want to construct your own PCB), codes, and explanations, so you can create one yourself.
Make a DIY Telepresence Shopping Robot using Arduino – Video Tutorial
If you are too lazy to read them all. Don’t be worried. We have a detailed video tutorial with step-by-step directions on how we developed the robot for shopping during COVID-19. Take a look at the video below.https://www.youtube.com/embed/9EGa1LSzIJg?rel=0
We’re ecstatic to show you everything you need to know about Arduino, robotics, home automation, and other cool stuff. If you’re a big fan of Arduino and robotics, you should subscribe to our channel. There are numerous DIY tutorials that will be of great interest to you. If you’d like to see more project lessons like this, subscribe to our YouTube channel by clicking the subscribe button.
It’s Never Been EASIER to Learn DIY Robotics!
DIY Robotics is a fun and simple hobby that you can pick up in a matter of minutes if you have the right instructions. Do you want to learn about robotics but are unsure where to begin? Then THIS is the place for you.https://www.youtube.com/embed/pwwVOpXrazs?rel=0
Here, we’ll show you how to get started with DIY Robotics with simple, 100% FREE step-by-step instructions that start with Robotics concepts, pieces of a robot, and then entire step-by-step lessons. You’ll also find a fantastic variety of Robotics Project Tutorials, ranging from beginner to advanced, to help you get started with DIY Robotics. Start Learning Robotics
What did I use to Build my DIY Shopping Robot Arduino?
For this project, all I needed was a mobile phone, a mobile phone stand, an Arduino board with Wi-Fi connectivity, and an L293D motor driver IC.
- Arduino Nano 33 IoT – Check it on Amazon
- L293D/L298N Motor Driver IC – Check it on Amazon
- DC Motors – Check it on Amazon
- Robot Chassis – Check Price
- LED – Check it on Amazon
- Soldering Iron – Check it on Amazon
- Terminal Blocks – Check it on Amazon
- Breadboard/PCB
How to Make a Shopping Telepresence Robot
Step 1: Make a Plan – Create an Arduino Telepresence Shopping Robot
The plan was to place this phone in front of the robot as shown in the video and activate mobile data and hotspot. This mobile hotspot will be connected to the Arduino. We’ll use a second phone to connect to the same hotspot and install an app that will allow us to send signals to the Arduino and operate the robot. We’ll use Skype call or Google meet to acquire a live video and audio feed.
Step 2: The Robot Chassis
I’ll be employing this four-motor-driven robot body here. This one has a top roof and is made of aluminum. It has large tires that will allow it to easily navigate obstacles.
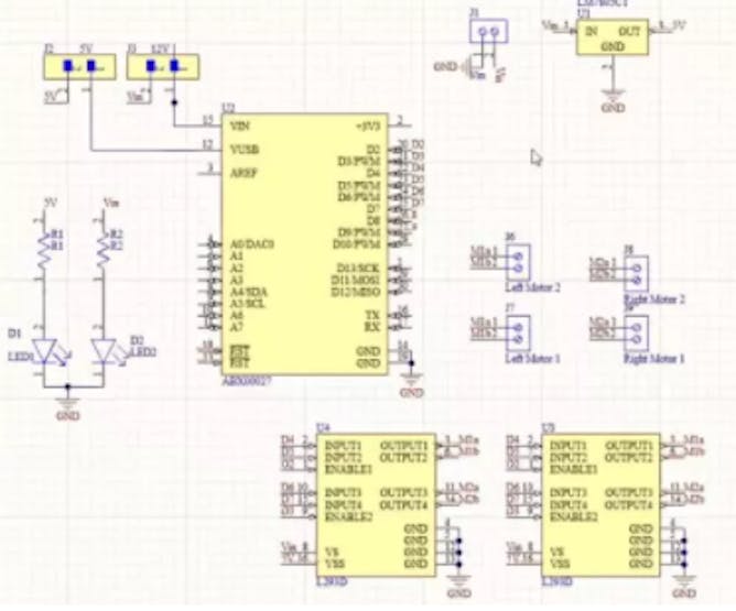
Step 3: Designing the Telepresence Robot’s Circuit
So I created a circuit that uses our phone’s mobile network to connect to the Arduino IoT cloud, get data from the cloud, and use the motor driver IC to drive the motors. To draw the circuit and create the PCB, I used Altium Designer. It’s a powerful tool that can be used to design and produce PCBs for our projects as well as sophisticated and multi-layer PCBs for industrial applications. In the description, I’ll include a link to the free version. Make sure to have a look!

Get Complete Circuit and fully explained tutorial of the Arduino Telepresence Robot from here.
I decided to connect two l293d motor driver ICs in parallel because I have four motors, two on each side. This will increase the current and allow four motors to be driven simultaneously.
Basically, this is how the circuit works. You may test it out on a breadboard and then use it for the project or construct your own PCB once you’re done. PCBs are something I enjoy. PCBs are tidy and assist in the elimination of any stray wires. Designing and fabricating a PCB for your project is no longer difficult. Isn’t it cool to design your own PCBs for your project?

After finishing the circuit for the DIY Telepresence Robot Arduino, I used Altium to design a tiny PCB on which I could neatly mount all of the components. As you can see, this is a four-layer PCB, but the components are on the top. That’s all there is to it. All that’s left to do now is export the Gerber.
Step 4: Finishing the PCB
PCBWay was the place where I ordered my PCB. PCBWay is a PCB company that specializes in PCB prototypes, low-volume production, and clean PCB assembly.

To get the PCB from PCBWay, go to their website and fill out the instant order form with the fundamental board information.
We will then be redirected to a form where we may offer more detailed board information. In the PCB specification screen, update the board details. We should be able to upload the Gerber file and submit it for inspection on the following screen. After you’ve finished the evaluation, all you have to do now is add the PCBs to your cart, pay for them, and wait for them to arrive.

It’s time to solder everything together after we have all of the components and the PCB. Make sure to check the polarity of the components before soldering them to the board. This is how the PCB appears after soldering.
Step 5: Create a WiFi Network
As I previously stated, this Robot is operated by WiFi using an Android Smartphone. This is identical to our Arduino WiFi Robot that I shared a month ago.
Our robot must be connected to an active WiFi network in order to be controlled. You can either connect to your home WiFi network or, as I did, build a hotspot on your robot-attached smartphone.
Step 6: Using a Telepresence Robot to Control and Shop
RootSaid WiFi Command Center is the app we’ll be utilizing to control our Robot. This app allows you to use WiFi to develop home automation and robotics projects. After installing the app, go to the Setup page and enter the Robot’s IP and port number, and then go to the Robot Controller Tab and use the tap buttons to transmit commands to Arduino.
Step 7 – Shopping Coding
Let’s get down to business. I wrote code for the Arduino that will connect to the WiFi network formed by the robot’s mobile phone and listen for incoming packets on a certain port.
It will check the command and drive the robot accordingly after it receives it from the cell phone.
Get Complete codes and explanations here at Arduino Telepresence Robot complete tutorial
Step 8: Prepare for the Purchase
I connected a cell phone to the robot and turned on the mobile hotspot before uploading the code.

After that, I uploaded the code to the Robots Arduino board. I started the serial monitor after the code was submitted. It also displayed Arduino’s IP address.
I switched to a different phone and joined the same network. All I had to do now was download the app, enter the robot’s IP address and port number, navigate to the robot controller, and press a few buttons. By pushing the forward, backward, left, and right buttons on my phone, I was able to manage the bot.
Step 9 – I believe we should speak.
Then, on the phone connected to the Telepresence Robot, I launched a Google meeting and joined it from another phone using a different account.

In essence, the job was completed. I was able to control the robot using my phone, and I could use speech and video streams to speak with everyone in front of the robot.
I don’t want to go very far.
That was a lot of fun to work on. However, there are certain limits. Both of these phones must be connected to the same wireless network. So it won’t be an issue if I travel to surrounding houses and shops. However, if we travel too far, the network will be disrupted.

Isn’t it time for a remote shopping upgrade?
To get around this, we can leverage internet cloud services to keep a connection to the DIY Telepresence robot even if we don’t have access to WiFi and are only utilizing mobile data. To do so, I used the Arduino IOT cloud.

Even though there was a delay, everything went smoothly. If you’re interested, please let me know in the comments and I’ll make a new video with the complete tutorial.
But Wait! Can it be made Practical?
Please let me know if you think this type of robot could be made to work in the comments. If not, please let us know how you think we can make it more practical.
Yes, we can make it practical within our compound, adjacent houses and shops, and office complex, if you ask me. However, if we send it out on the streets over a long distance in a city like ours, there’s a good risk we’ll lose the phone, if not the entire robot. What are your thoughts on the matter?